상품 이미지 새창 보기

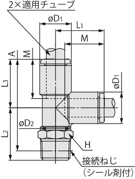
서비스치즈유니온 KQ2Y(씰제) 서비스치즈유니온 KQ2Y(씰제)