상품 이미지 새창 보기

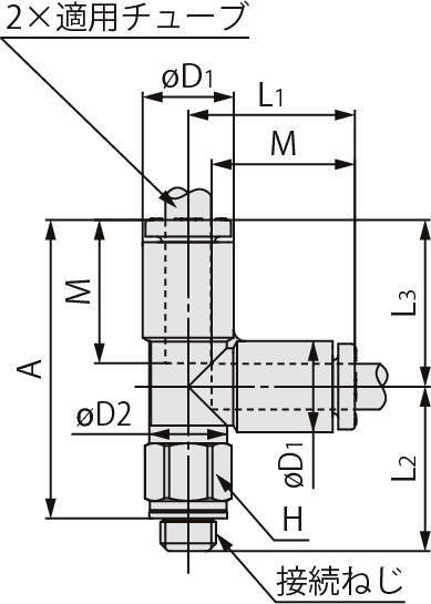
서비스치즈유니온 KQ2Y(가스켓씰) 서비스치즈유니온 KQ2Y(가스켓씰)