상품 이미지 새창 보기

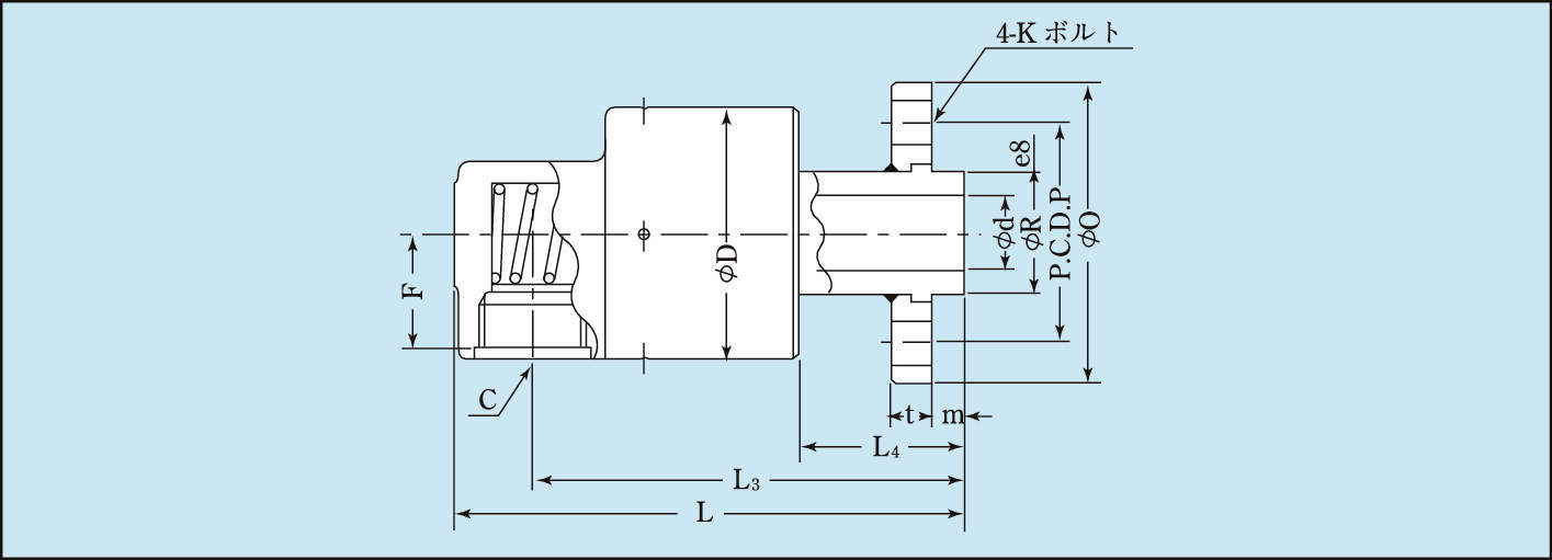
RXE2100 RXH2100 (단식플랜지취부식) RXE2100 RXH2100 (단식플랜지취부식)