상품 이미지 새창 보기

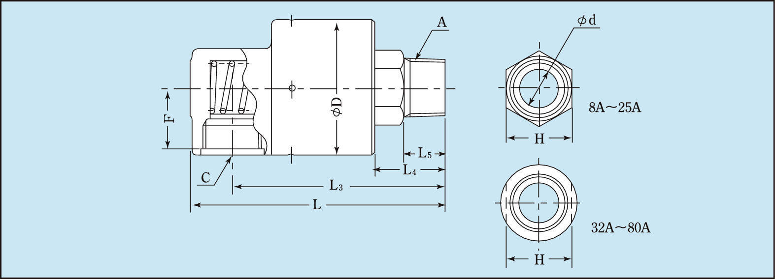
RXE1000 RXH1000 (단식나사취부식) RXE1000 RXH1000 (단식나사취부식)