상품 이미지 새창 보기

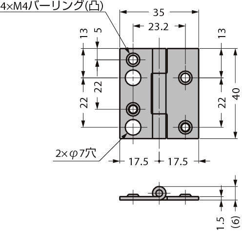
스테인레스강제 힌지 SBR40 스테인레스강제 힌지 SBR40