상품 이미지 새창 보기

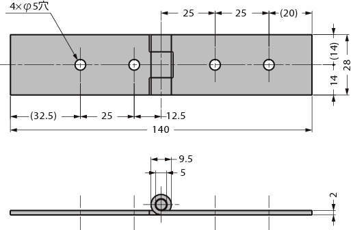
스테인레스강제 수평형힌지 SYR140 스테인레스강제 수평형힌지 SYR140