상품 이미지 새창 보기

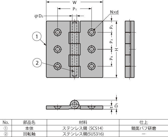
스테인레스강제  중량용(H)평힌지 LSF형 스테인레스강제  중량용(H)평힌지 LSF형