상품 이미지 새창 보기

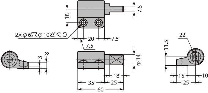
댐퍼힌지 TD27A1/B1, TD28A1/B1 댐퍼힌지 TD27A1/B1, TD28A1/B1