상품 이미지 새창 보기

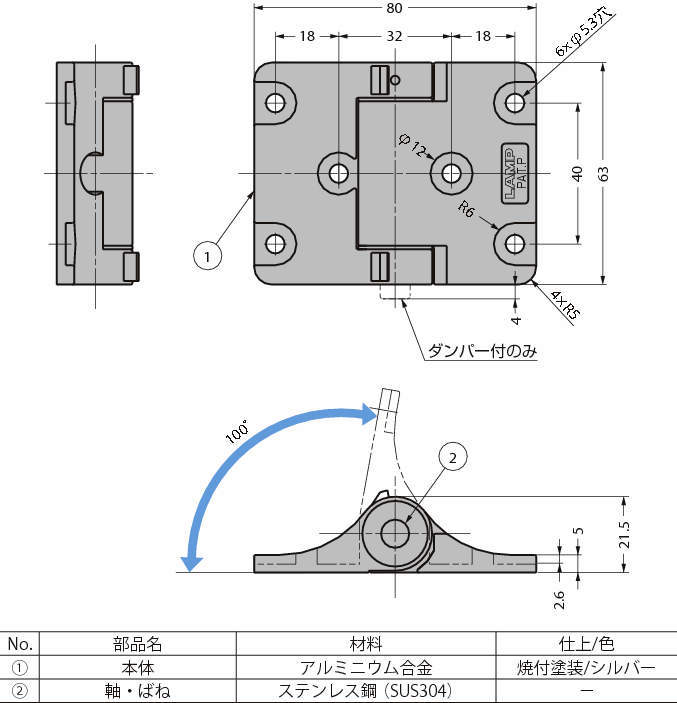
댐퍼힌지 HG-CSH63형 댐퍼힌지 HG-CSH63형