상품 이미지 새창 보기

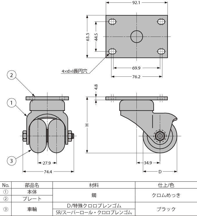
저상식쌍륜캐스터30시리즈(자재차) 저상식쌍륜캐스터30시리즈(자재차)