상품 이미지 새창 보기

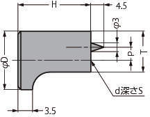
손잡이 GLA형 손잡이 GLA형