상품 이미지 새창 보기

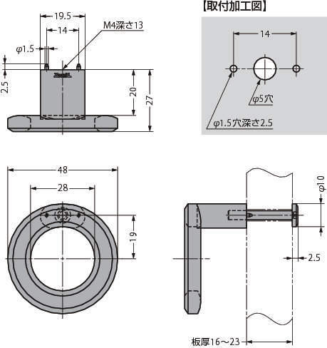
스테인레스강제  손잡이 ZL-1910 스테인레스강제  손잡이 ZL-1910