상품 이미지 새창 보기

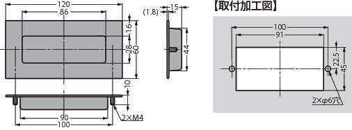
스테인레스강제  매입손잡이 HH-AS2 스테인레스강제  매입손잡이 HH-AS2