상품 이미지 새창 보기

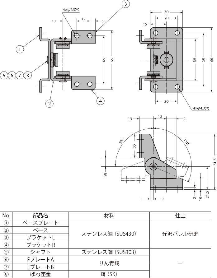
2축토르크힌지 HG-T30S15 2축토르크힌지 HG-T30S15