상품 이미지 새창 보기

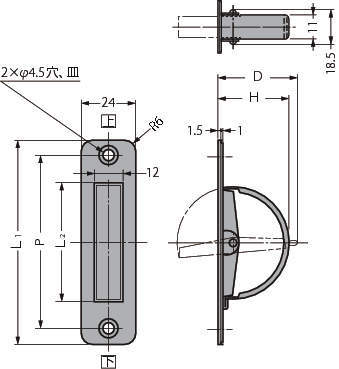
스테인레스강제  회전손잡이 HR-RS형 스테인레스강제  회전손잡이 HR-RS형