상품 이미지 새창 보기

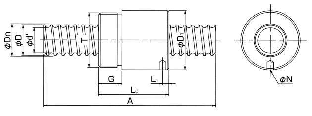
정밀전조볼나사 SD시리즈(무예압) 정밀전조볼나사 SD시리즈(무예압)