상품 이미지 새창 보기

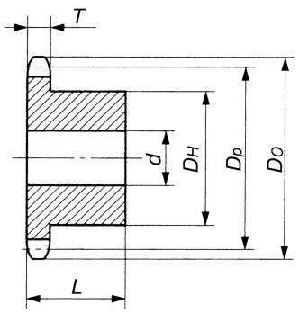
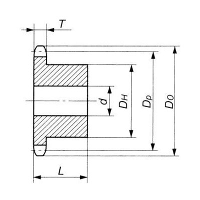
롤러테이블용스프라켓 롤러테이블용스프라켓