상품 이미지 새창 보기

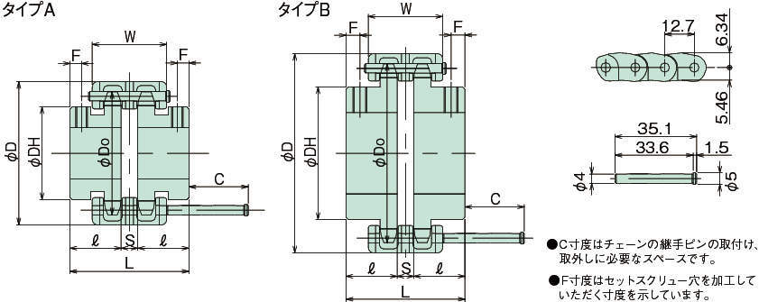
나일론체인커플링 H타입 나일론체인커플링 H타입