상품 이미지 새창 보기

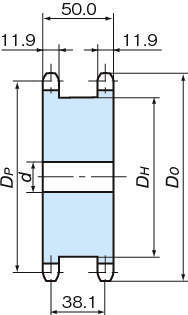
RS60 스프라켓 SD타입(단열2본궤) RS60 스프라켓 SD타입(단열2본궤)