상품 이미지 새창 보기

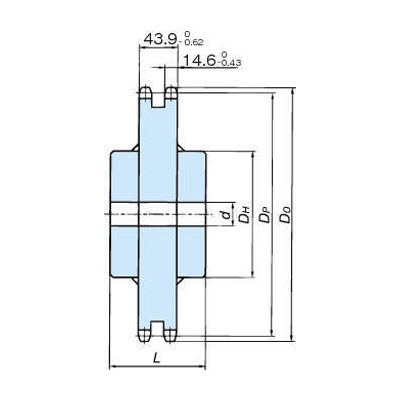
RS80 스프라켓 2C타입 RS80 스프라켓 2C타입