상품 이미지 새창 보기

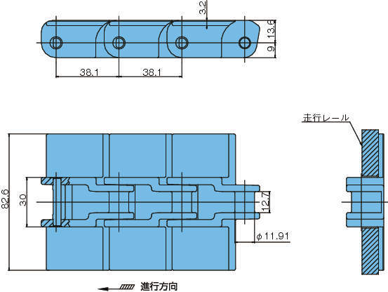
플라탑체인 TPRF2060형 플라탑체인 TPRF2060형