상품 이미지 새창 보기

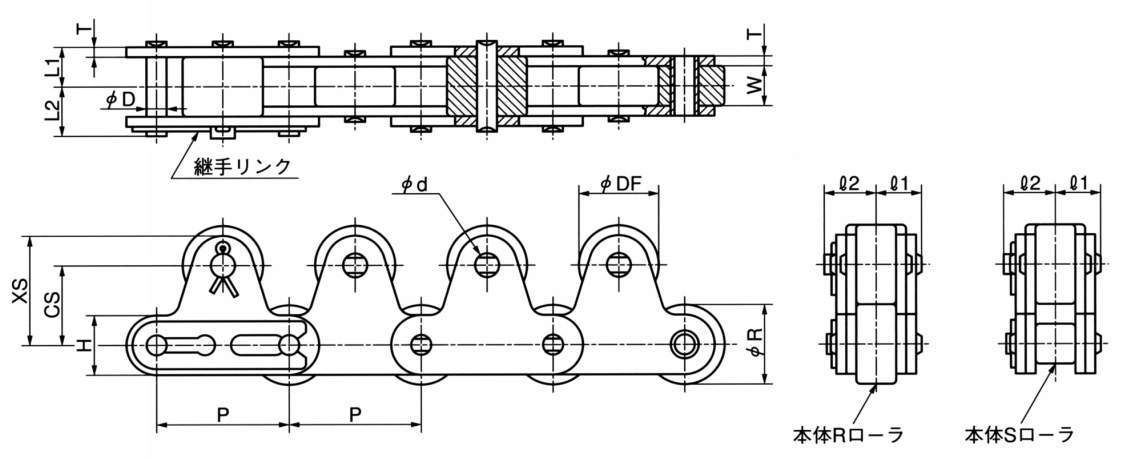
탑롤러부착 바이피치체인 탑롤러부착 바이피치체인