상품 이미지 새창 보기

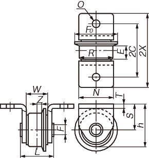
어태치붙이베어링롤러(F롤러) 어태치붙이베어링롤러(F롤러)