상품 이미지 새창 보기

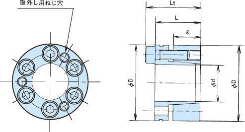
파워록 RE-SS시리즈 파워록 RE-SS시리즈 파워록 RE-SS시리즈 파워록 RE-SS시리즈