상품 이미지 새창 보기

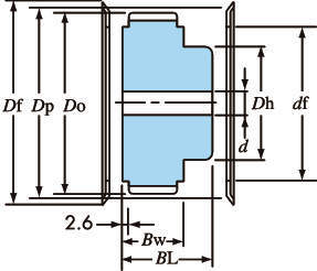
T치형풀리 T10형 T치형풀리 T10형 T치형풀리 T10형 T치형풀리 T10형