상품 이미지 새창 보기

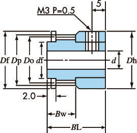
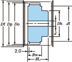
T치형풀리 T2.5형(알미늄타입) T치형풀리 T2.5형(알미늄타입) T치형풀리 T2.5형(알미늄타입)