상품 이미지 새창 보기

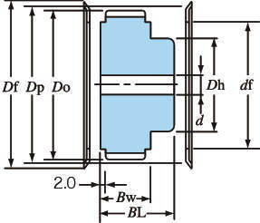
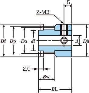
PX풀리 P3M형 PX풀리 P3M형 PX풀리 P3M형 PX풀리 P3M형