상품 이미지 새창 보기

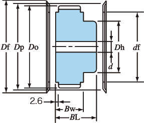
태형치형풀리 L형 태형치형풀리 L형 태형치형풀리 L형 태형치형풀리 L형