상품 이미지 새창 보기

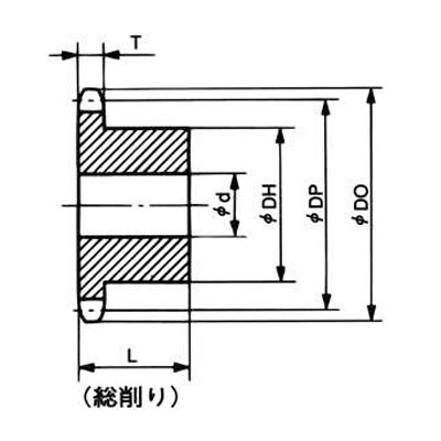
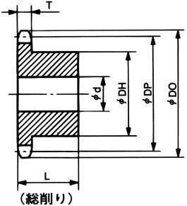
사이드롤러RS형부착 체인용스프라켓 사이드롤러RS형부착 체인용스프라켓