상품 이미지 새창 보기

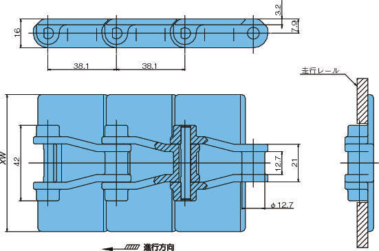
플라탑체인 TPF형 플라탑체인 TPF형