상품 이미지 새창 보기

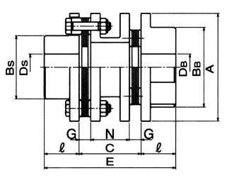
DC커플링(표준스페이서/대축경·표준축경용) DC커플링(표준스페이서/대축경·표준축경용) DC커플링(표준스페이서/대축경·표준축경용)