상품 이미지 새창 보기

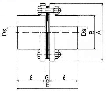
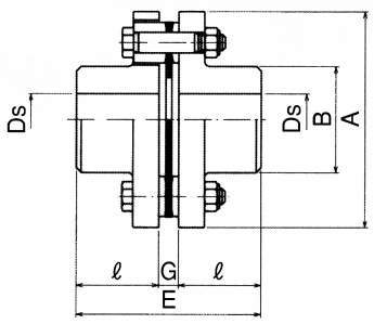
DC커플링(싱글형/표준축경용) DC커플링(싱글형/표준축경용) DC커플링(싱글형/표준축경용)