상품 이미지 새창 보기

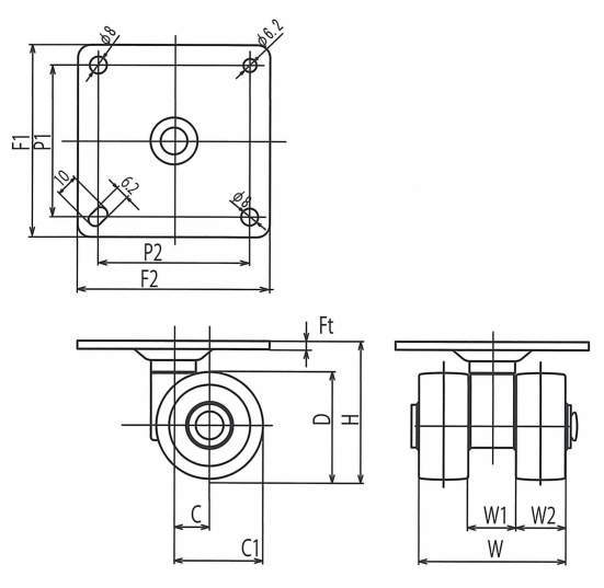
쌍륜캐스터 T50형 쌍륜캐스터 T50형 쌍륜캐스터 T50형