상품 이미지 새창 보기

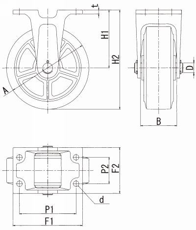
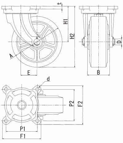
닥타일제광폭중량용(H)금구 닥타일제광폭중량용(H)금구 닥타일제광폭중량용(H)금구