상품 이미지 새창 보기

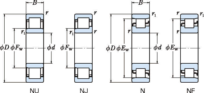
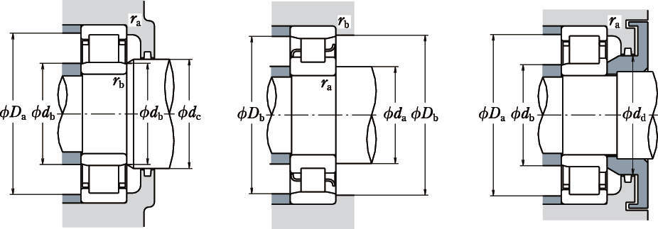
단열원통롤러베어링 단열원통롤러베어링 단열원통롤러베어링