상품 이미지 새창 보기

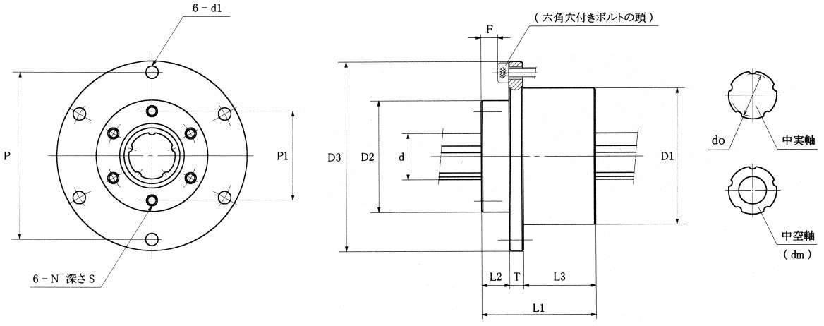
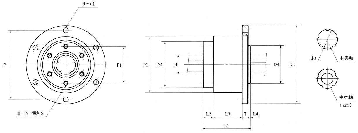
로터리볼스플라인 LS타입 로터리볼스플라인 LS타입 로터리볼스플라인 LS타입