상품 이미지 새창 보기

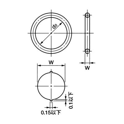
O링 SS시리즈(고정용)