상품 이미지 새창 보기

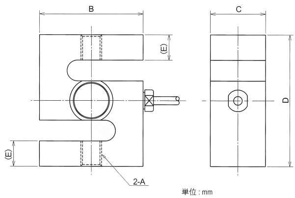
S자빔형로드셀 U2S1 S자빔형로드셀 U2S1