상품 이미지 새창 보기

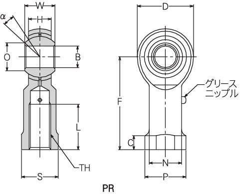
PR 로드엔드(4피스형) 암나사 PR 로드엔드(4피스형) 암나사