상품 이미지 새창 보기

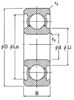
미니츄어베어링 JIS기호시리즈(레이디얼깊은홈볼베어링) 미니츄어베어링 JIS기호시리즈(레이디얼깊은홈볼베어링) 미니츄어베어링 JIS기호시리즈(레이디얼깊은홈볼베어링)