상품 이미지 새창 보기

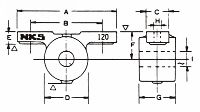
반노메탈 (베어링반가공품) 반노메탈 (베어링반가공품)