상품 이미지 새창 보기

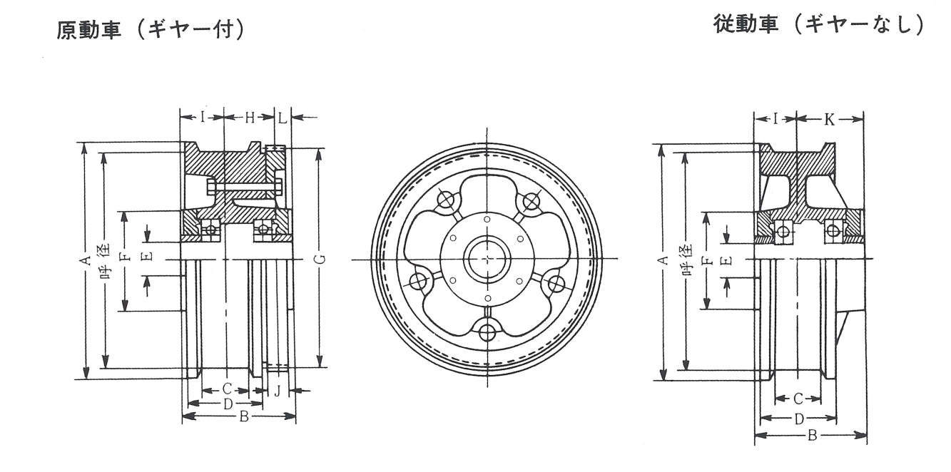
NKS규격크레인용주행차륜 (편보스형) NKS규격크레인용주행차륜 (편보스형) NKS규격크레인용주행차륜 (편보스형)