상품 이미지 새창 보기

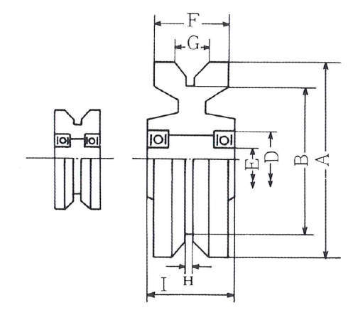
볼베어링들이V차륜 볼베어링들이V차륜