상품 이미지 새창 보기

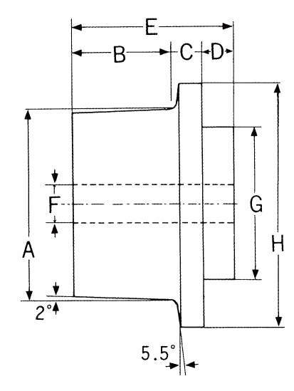
L형편플랜지차륜 L형편플랜지차륜