상품 이미지 새창 보기

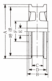
양플랜지형보통차륜 양플랜지형보통차륜