상품 이미지 새창 보기

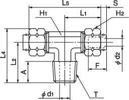
퀵씰 티 퀵씰 티