상품 이미지 새창 보기

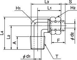
퀵씰 90°엘보 퀵씰 90°엘보