상품 이미지 새창 보기

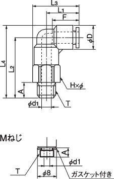
푸시원E 90°롱엘보 푸시원E 90°롱엘보