상품 이미지 새창 보기

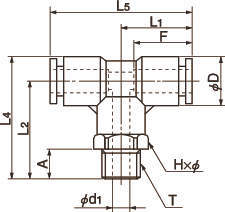
케미핏C1 티 케미핏C1 티