상품 이미지 새창 보기

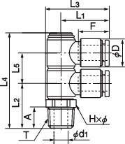
푸시원A 더블유니버셜엘보 푸시원A 더블유니버셜엘보